Elektromágneses fék egységek |
 |
EMA-ELFA gyártmányú elektromágneses fékek széleskörű felhasználásra, forgó gépalkatrészek fékezésére, megállítására, vészfékezésre, poziciónálásra stb. Nagy kapcsolási gyakoriság mellett is megbízható, gyors, hatékony működés.
Különféle lehetőségek a fék vezérlésére, felhasználhatóságra ( Ex.), éghajlati viszonyra, állíthatóságra, féknyomaték nagyságra, speciális területekre (színház), stb. Tipusok: HPS, H2SP, 2H2SP, HPSX, H2SPX, HPS..AT, H2SP..AT, STE i STK, 2H2SP..BT, HSA i HS, NE, NEX, HZG, 2HZG, H. |
|
|
|
|
| HPS típusjelű család |
jellemzők: |
|
| |
4 - 500Nm féknyomaték, |
|
| |
10 mechanikai méret, |
|
| |
fék tekercs működtető feszültsége (V-DC): 24, 104, 180, 207 |
|
| |
kézi fékoldás, |
|
| |
védettség: IP44, IP56, |
|
| |
szigetelési osztály: F. (155 °C) |
|
| |
állítható nyomaték, |
|
| |
légrés és kopásellenörzés, |
|
| |
felhasználási terület: villanymotorokban. |
|
|
| |
 |
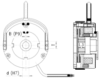
Kábel kivezetés:
A – HPS12, HPS14, HPS16, HPS18, HPS20
B – HPS04, HPS06, HPS08, HPS10, HPS25 |
| |
|
|
| |
|
|
| |
Típus |
Mh [Nm] |
D |
D1 |
D2 |
D3 |
D4 |
D5 |
D6 |
D7 |
D8 |
D9 |
L |
L1 |
L2 |
L3 |
L4 |
L5 |
L6 |
K |
H |
H1 |
HPS04 |
4 |
83 |
74 |
62 |
25 |
13 |
Ø4,3x3 |
M4x3 |
30 |
50 |
6 |
45 |
6 |
0,5 |
18 |
23 |
450 |
6,7 |
0,2 |
98 |
46 |
HPS06 |
4 |
91 |
84 |
72 |
25 |
17 |
Ø4,5x3 |
M4x3 |
47 |
62 |
8 |
45 |
6 |
0,5 |
18 |
24 |
450 |
6,7 |
0,2 |
100 |
51 |
HPS08 |
8 |
110 |
102 |
90 |
30 |
17 |
Ø5,5x3 |
M5x3 |
59 |
76 |
8 |
53 |
7 |
1,8 |
20 |
29 |
450 |
6,7 |
0,2 |
111 |
61 |
HPS10 |
16 |
133 |
125 |
112 |
44 |
21 |
Ø6,4x3 |
M6x3 |
61 |
95 |
10 |
65 |
9 |
3,5 |
20 |
37 |
450 |
9,0 |
0,2 |
160 |
73 |
HPS12 |
32 |
156 |
148 |
132 |
45 |
27 |
Ø6,4x3 |
M6x3 |
74 |
114 |
10 |
74 |
9 |
3 |
25 |
40,5 |
450 |
9,0 |
0,3 |
181 |
94 |
HPS14 |
60 |
170 |
162 |
145 |
55 |
27 |
Ø8,4x3 |
M8x3 |
90 |
124 |
12 |
82 |
11 |
3 |
30 |
41,5 |
450 |
9,0 |
0,3 |
193 |
102 |
HPS16 |
100 |
196 |
188 |
170 |
84 |
38 |
Ø8,4x3 |
M8x3 |
100 |
154 |
12 |
89 |
11 |
3 |
30 |
43,5 |
450 |
9,0 |
0,3 |
206 |
116 |
HPS18 |
150 |
223 |
215 |
196 |
104 |
43 |
Ø9,0x4 |
M8x6 |
130 |
176 |
12 |
100 |
11 |
3 |
35 |
51 |
450 |
11,0 |
0,3 |
237 |
129 |
HPS20 |
240 |
262 |
252 |
230 |
134 |
45 |
Ø11x6 |
M10x6 |
148 |
207 |
14 |
120 |
11 |
3 |
40 |
68 |
800 |
11,0 |
0,5 |
339 |
157 |
HPS25 |
500 |
314 |
302 |
278 |
120 |
45 |
Ø11x6 |
M10x6 |
198 |
255 |
14 |
134 |
12,5 |
4,5 |
50 |
82 |
800 |
11,0 |
0,5 |
466 |
182 |
|
|
| |
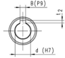
| Persely fúratátmérő |
Hüvely átmérő tartomány |
 |
 |
Típus |
d |
B |
T |
d max |
d smax * |
L3 |
HPS04 |
11 |
4 |
12,8 |
11 |
|
18 |
HPS06 |
15 |
5 |
17,3 |
15 |
|
18 |
HPS08 |
15 |
5 |
17,3 |
15 |
|
20 |
HPS10 |
19 |
6 |
21,8 |
25 |
|
20 |
HPS12 |
25 |
8 |
28,3 |
25 |
|
25 |
HPS14 |
25 |
8 |
28,3 |
35** |
|
30 |
HPS16 |
35** |
8 |
38,3 |
35** |
|
30 |
HPS18 |
40 |
12 |
43,3 |
45 |
50 |
35 |
HPS20 |
42 |
12 |
45,3 |
45 |
50 |
40 |
HPS25 |
42 |
12 |
45,3 |
45 |
75 |
50 |
|
Fúrat átmérő
[mm] |
B |
t 2 |
tartomány |
|
|
10 - 12 |
4 |
1,8 |
12 – 17 |
5 |
2,3 |
17 – 22 |
6 |
2,8 |
22 – 30 |
8 |
3,3 |
30 – 38 |
10 |
3,3 |
38 – 44 |
12 |
3,3 |
44 – 50 |
14 |
3,8 |
50 – 58 |
16 |
4,3 |
58 - 65 |
18 |
4,4 |
65 - 75 |
20 |
4,9 |
|
|
|
|